Запасные части ЧТЗ Запасные части ЧТЗ
Ростов-на-Дону
Например:
Актобе
Алдан
или
Выбрать автоматически
Актобе
Алдан
Алматы
Алчевск
Архангельск
Астана
Астрахань
Атырау
Баку
Балашиха
Барнаул
Белгород
Бердянск
Бишкек
Владивосток
Владикавказ
Воркута
Воронеж
Горловка
Грозный
Донецк
Екатеринбург
Иваново
Ижевск
Иркутск
Казань
Калининград
Каменск-Уральский
Караганда
Каховка
Кемерово
Киров
Комсомольск-на-Амуре
Костанай
Краснодар
Красноярск
Красный луч
Ленск
Луганск
Магадан
Магнитогорск
Макеевка
Махачкала
Мелитополь
Минск
Мирный (Якутия)
Москва
Мурманск
Нерюнгри
Нижневартовск
Нижний Новгород
Нижний Тагил
Новая каховка
Новокузнецк
Новосибирск
Новый Уренгой
Норильск
Ноябрьск
Нур-Султан
Омск
Оренбург
Ош
Павлодар
Пермь
Петрозаводск
Петропавловск
Петропавловск-Камчатский
Псков
Ростов-на-Дону
Салехард
Самара
Санкт-Петербург
Саратов
Севастополь
Семей
Симферополь
Сочи
Ставрополь
Сургут
Сыктывкар
Тараз
Ташкент
Токмак
Томск
Тында
Тюмень
Ульяновск
Усинск
Усть-Каменогорск
Уфа
Хабаровск
Ханты-Мансийск
Херсон
Челябинск
Чита
Шымкент
Экибастуз
Энергодар
Южно-Сахалинск
Якутск
Ваш город
Ростов-на-Дону
Войти
Запасные части к тракторам на одном сайте
+7 (932) 303-00-10
+7 (932) 303-00-10
г. Ростов-на-Дону, ул. Вавилова, д. 68
Пн-Пт: 9:30-18:30 Cб-Вс: Выходной
Отправить заявку


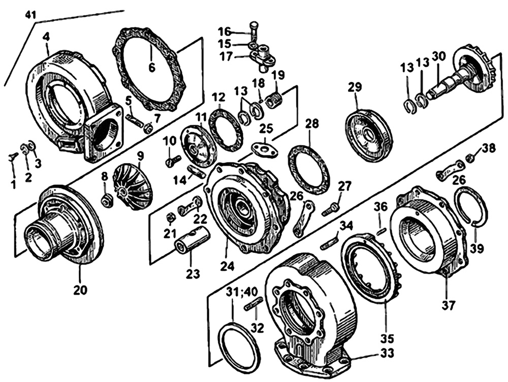
Турбокомпрессор ТКР-11Н-3 подетально на Т-170


/
с НДС 20%
Описание
Турбокомпрессор ТКР-11Н-3 подетально
Поз.Номер по каталогуНаименование детали
092.530Вал
092.000-51Комплект ТКР с трубками для запасных частей
092.930Корпус компрессора
092.330Корпус средний
092.560Корпус средний
092.340Корпус турбины
092.920Корпус турбины
092.550Ротор
1М6х20.58.019Болт
26Т 65Г 09Шайба
331529Шайба
493.094Корпус компрессора
5М8-6gх22.66.029Шпилька
6700-40-2884Прокладка
7М8х1-6.029Гайка
8111.30.124.11Гайка
992.209Колесо компрессора
10М6х16.58.019Винт
11Диск 92.570
12700-40-6582Прокладка
13Кольцо 111.30.123.00
14М8Шпилька
158Т 65Г 09Шайба
16М8х20.58.019Болт
17111.30.106.01Фиксатор
1892.239Штифт
1992.068Кольцо
2092.206Вставка компрессора
21М10-6.089Гайка
22700-31-2447Пластина
23111.30.105.00Подшипник
24Корпус средний 92.227
25111.30.131.00Прокладка
26700-31-2414-3Пластина
27М8х20.58.019Болт
28111.30.129.00Прокладка
29Диск 92.104
3092.520Вал
3192.214Прокладка
32700-29-2368Шпилька
3392.201Корпус турбины
34М8-6gх20.66.089Шпилька
3592.202Венец сопловой
3632205Штифт
3792.203Вставка турбины
38М8-6.089Гайка
39А27.00.007Кольцо
4092.238Прокладка
41Турбокомпрессор ТКР-11Н-3 92.000-06
Турбокомпрессор ТКР-11Н-3 подетально